Будьте в курсе!
Новости, обзоры и акции
Время работы:
ПН-ПТ 10:00 - 19:00
СБ-ВС выходной
Новости, обзоры и акции
|
|
|
|
|
|
(0)
|
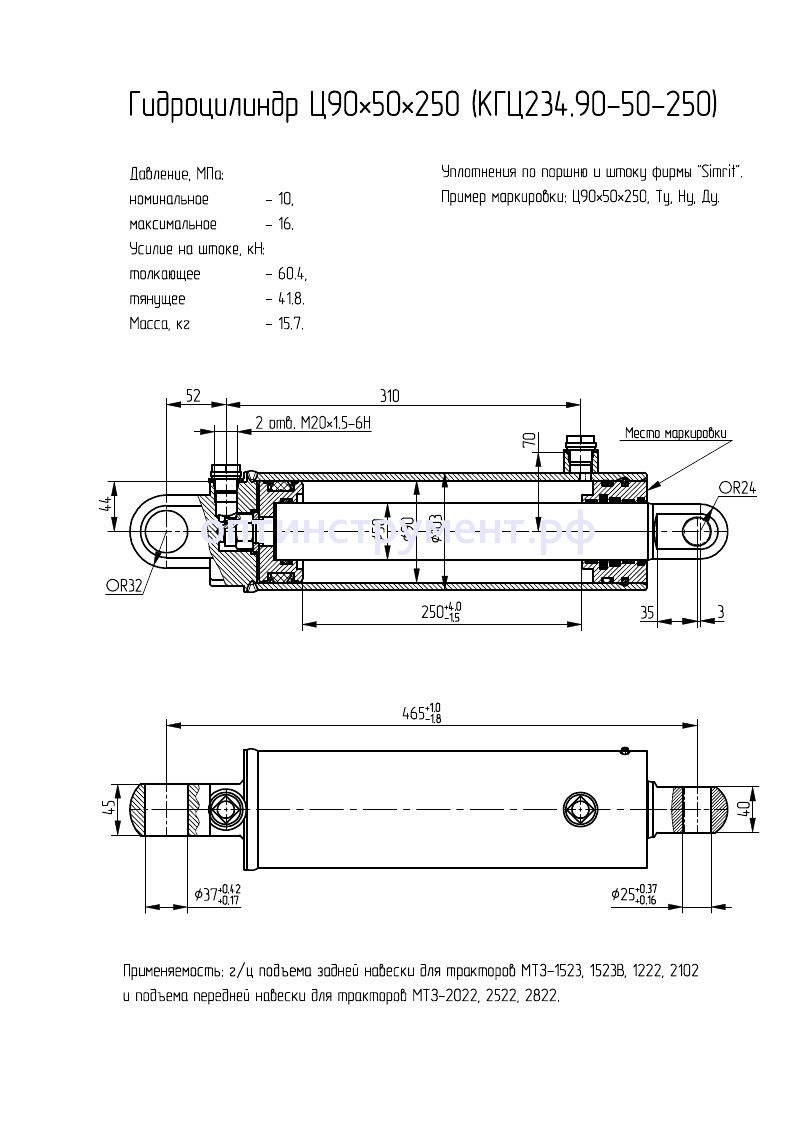
Вы можете узнать актуальную цену для города Кирова, на гидроцилиндр КГЦ234.90-50-250, сделав запрос, на наш электронный адрес 2584500@bk.ru
Гидроцилиндр подъема задней и передней навески тракторов "МТЗ" КГЦ 234.90-50-250 в продаже по цене 0 руб. в Интернет-магазине Проф-инструмент с доставкой в Кирове и Кировской области. Звоните по телефону +8 (800) 302-10-51.
Новости, обзоры и акции
