Новости, обзоры и акции
Новости, обзоры и акции
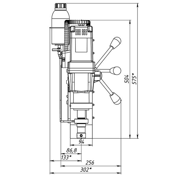
Магнитный сверлильный станок MBR-100
Особенности
Предназначен для промышленного использования, сверления большого количества отверстий диаметром до 100 мм., также будет надежен при использовании спиральных сверл диаметром до 32 мм. Нарезка глухой резьбы возможна без специальных резьбонарезных патронов. В механизме электропривода, кроме проскальзывающей муфты, реализована схема контроля вращающего момента. Требуемый момент (он подбирается опытным путем) выставляется на регулировочной шкале, и, как только сила тока через обмотку двигателя достигнет заданной величины, мотор мгновенно остановится. На практике, система безошибочно срабатывает при нарезании резьбы метчиками от М8, а также предотвращает заклинивание и перегрузку двигателя при нарезке резьбы метчиками до М30.
Кроме нарезания сквозной и глухой резьбы в металле, данный магнитный сверлильно-резьбонарезной станок с успехом применялся для развертывания изношенных отверстий до диаметра 45 мм. Как осуществляется такая операция можно посмотреть на предлагаемом видео. В процессе работы разнообразных кранов, экскаваторов, погрузчиков, происходит износ цапф или втулок шкворней. Отверстия становятся овальными и иногда их высверливают вместе с куском металла, а потом заваривают новой втулкой. При этом также широко используются переносные магнитные станки. Если такое решение неприемлемо, то можно последовательно развернуть овальное отверстие, с чем отлично справляется станок MBR-100.
Преимущества
- Мощный немецкий электродвигатель Eibenstock с двухкамерной системой смазки редуктора и механическим переключением скоростей, плавный старт, электронная бесступенчатая регулировка скорости вращения, защита от перегрузки, реверс (правое и левое вращение вала).
- Электромагнит, усовершенствованный в 2012г., с увеличенной прижимной силой и специальной водостойкой пропиткой катушек.
- Нарезка глухой резьбы возможна без специальных резьбонарезных патронов – встроенный ограничитель крутящего момента останавливает вал электропривода при достижении установленной величины.
- Высокая точность сверления - максимальное радиальное биение в пределах 0,08 мм.
- Рукоятка подачи станка переставляется на любую сторону станины
- С использованием дополнительных адаптеров АКСТ, станок можно устанавливать на неровных поверхностях, трубах, а так же не магнитных трубах. Конструкторы нашей компании готовы рассмотреть и разработать любую оснастку, которая решит Ваши задачи.
Дополнительные возможности
- Установка адаптера для врезки в трубы диаметром от 650 мм (адаптер АКСТ3)
Комплектация
- магнитный сверлильный станок
- держатель корончатого сверла с хвостовиком Weldon 19 и внутренним подводом СОЖ
- ключи для смены инструмента и регулировки
- клин для снятия конуса Морзе
- бачок для СОЖ с трубкой
- страховочная цепь
- клин для снятия оснастки
- рукоятки
- ящик
Магнитный сверлильный станок MBR-100 в продаже по цене 145 866 руб. в Интернет-магазине Проф-инструмент с доставкой в Кирове и Кировской области. Звоните по телефону +8 (800) 302-10-51.
